18 150 руб
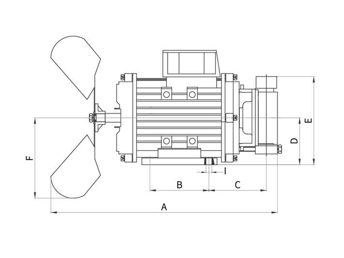
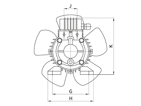
WD-021W/S специализирован для сварки - промышленной машины с характеристиками небольшого объема, прекрасного внешнего вида, теплостойкости и низкого уровня шума. Насосный двигатель был разработан с использованием немецкой технологии маленького моторного основания и большой мощности, что позволяет сэкономить больше места для установки клиенту.
Область применения: Контроль температуры формы, Медицинская стерилизация, Реакционный котел, Парогенератор, Охлаждение сварщика, Испытательный инструмент, Подача воды в котел, Горячий водяной котел, Пищевое оборудование.
Среда циркуляции: Вода, этиленгликоль, спирт, термальное масло, раствор углеводородов, силиконовое масло и другие жидкости без частиц и волокон.
Условия работы:
| Теплопроводность воды | Теплопроводность масла | Этиленгликоль | Рабочая температура | Максимальная высота | Максимальное рабочее давление |
|---|---|---|---|---|---|
| +5°C~+160°C | +5°C~+200°C | -30°C~+180°C | -5°C~+40°C | 1000 м | 10 бар |
